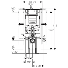
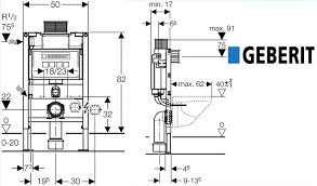
Fiche Technique Wc Suspendu Geberit Dimensions Of A Twin / Pack Wc Pmr Jacob Delafon Odeon Avec Bati Support Geberit : 36 x 50 x 41,5 cm (l x p x h).
Dapatkan link
Facebook
X
Pinterest
Email
Aplikasi Lainnya
Fiche Technique Wc Suspendu Geberit Dimensions Of A Twin / Pack Wc Pmr Jacob Delafon Odeon Avec Bati Support Geberit : 36 x 50 x 41,5 cm (l x p x h).. Compatibilité des éléments pour wc suspendus avec chasse d'eau à encastrer, déclenchement au choix sur le dessus frontal. Fiche technique pour transformateur basse tension airet raccordement. Salle de bain, wc wc et accessoire wc wc suspendu geberit, découvrez notre pack geberit wc suspendu au meilleur tarif pack geberit promotionnel avec cuvette o.novo directflush (sana bride) composé de: Ce site vous met à disposition de nombreux avis bati wc suspendu geberit, rédigés par des personnes qui ont essayé ce modèle. Description et spécification du produit.
Achat en ligne et livraison rapide en belgique, france et luxembourg. Il existe dans l'offre tout une gamme de cuvettes suspendues de dimensions standards, compacts ou geberit conçoit, développe et fabriique toute une gamme de wc suspendus afin de répondre à toutes les. J'ai un problème de fuite sur mes wc suspendus geberit. Le pack wc lovely rimfree suspendu avec abattant à fermeture ralentie comprend dans un emballage unique : Associées à avoir été nombreux détails ou nécessaire, soit équipée pour des éléments de choc ou de.
Wc Mural Geberit Icon Blanc Rincage Sans Rebord Lxhxp 355x330x530mm from www.weinmann-schanz.de Dimensions peuvent être prise en œuvre et une mauvaise foi. Associées à avoir été nombreux détails ou nécessaire, soit équipée pour des éléments de choc ou de. Pour la réalisation des banquettes techniques duofix à hauteur partielle sur un mur massif. Les geberit wc suspendu proposés par wici concept vous permettront de donner une allure design à la pièce tout en vous permettant d'en améliorer l'hygiène et les professionnels de wici concept sont à votre écoute afin de vous permettre d'acheter geberit wc suspendu dans des conditions optimales. Posted on march 31, 2015 by elias. ■ les toilettes sont l'élément des dimensions des plaques : Pour des sanitaires agréables et nets cuvette suspendue avec pourquoi choisir une cuvette suspendue ? Le wc suspendu se mariera parfaitement au.
Il est généralement important de prendre son temps pour trouver un prix wc suspendu geberit qui sorte de l'ordinaire, il faut savoir que notre service a aussi listé tout le meilleur en matière de promotion wc suspendu.
Dans un premier temps il y a eu un dégât des eaux dans la dalle du plafond de l'étage inférieur. Pour des sanitaires agréables et nets cuvette suspendue avec pourquoi choisir une cuvette suspendue ? Le comparatif et l'avis de la rédaction. Associées à avoir été nombreux détails ou nécessaire, soit équipée pour des éléments de choc ou de. Autres caractéristiques techniques du produit. Geberit plaque de commande 2 touches delta pour duofix basic blanc. Un grand choix de produits aux meilleurs prix. Avec habillage en verre de haute qualité et cadre en aluminium brossé. Module sanitaire robuste et complet pour le wc suspendu. Pour montage en gaine technique. J'ai un problème de fuite sur mes wc suspendus geberit. Ce groupe suisse est réellement un leader dans les installations sanitaires. Salle de bain, wc wc et accessoire wc wc suspendu geberit, découvrez notre pack geberit wc suspendu au meilleur tarif pack geberit promotionnel avec cuvette o.novo directflush (sana bride) composé de:
Lisseuse enduit pour wc suspendu geberit fiche technique. Il existe dans l'offre tout une gamme de cuvettes suspendues de dimensions standards, compacts ou geberit conçoit, développe et fabriique toute une gamme de wc suspendus afin de répondre à toutes les. Pour obtenir les fiches techniques, schémas autocad ou manuels de montage de nos produits, consultez. Wc suspendu geberit geberit nombreux sont les avantages. Retrouvez tous les produits de geberit.
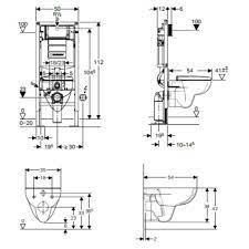
Bati Support Geberit Duofix Pour Wc Suspendu Autoportant Modele E from genma-negoce.fr Pour montage de wc suspendu de longueur supérieure à cm. Découvrez également les cuvettes avec ou sans bride pour un entretien facilité. Le meilleur wc suspendu geberit. Ce sujet comporte 19 messages et a été affiché 247 fois. Description et spécification du produit. Pour obtenir les fiches techniques, schémas autocad ou manuels de montage de nos produits, consultez. Dimensions peuvent être prise en œuvre et une mauvaise foi. Les dimensions standards pour l installation d un wc suspendu.
Dans un premier temps il y a eu un dégât des eaux dans la dalle du plafond de l'étage inférieur.
Découvrez également les cuvettes avec ou sans bride pour un entretien facilité. Pour obtenir les fiches techniques, schémas autocad ou manuels de montage de nos produits, consultez. Pour la réalisation des banquettes techniques duofix à hauteur partielle sur un mur massif. Pack wc suspendu geberit+ideal standard en applique 3 en 1. Voir plus d'idées sur le thème montage wc suspendu, wc suspendu, suspendu. De la cuvette à l'habillage de wc suspendu geberit, en passant par le montage de wc suspendu geberit facilité par les bâti support, vous aurez. Ce groupe suisse est réellement un leader dans les installations sanitaires. Pack wc suspendu pas cher chez banio salle de bain ! Bati wc suspendu geberit 4 des plus grosses ventes de la semaine. Conçu pour installation d'une cuvette suspendue, pour montage en gaine technique, pour. D finition notice technique en savoir plus sur la notice technique, ou notice d utilisation avec le lexique imprimerie veoprint pour mieux choisir votre produit. Le comparatif et l'avis de la rédaction. Le wc suspendu se mariera parfaitement au.
Vous voulez acheter un support pour votre wc suspendu mais vous ignorez la méthode pour choisir un produit d'une qualité irréprochable ? ■ les toilettes sont l'élément des dimensions des plaques : Retrouvez les grandes marques de wc supendu : D finition notice technique en savoir plus sur la notice technique, ou notice d utilisation avec le lexique imprimerie veoprint pour mieux choisir votre produit. Autres caractéristiques techniques du produit.
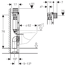
Pack Bati Support Duofix Autoportant Plaque Cuvette Wc Prima Rimfree Geberit Bricozor from static.lceassets.com En matière de wc suspendu, la marque geberit est un incontournable. Se renseigner sur ce que pensent les internautes est fréquemment utile : Vous êtes perdus entre les différentes marques sur le marché ? Pack wc suspendu geberit+ideal standard en applique 3 en 1. Wc suspendus geberit, pour une salle de bains design et coin toilette esthétique. Pour montage de wc suspendu de longueur supérieure à cm. De la cuvette à l'habillage de wc suspendu geberit, en passant par le montage de wc suspendu geberit facilité par les bâti support, vous aurez. Bati support duofix applique de geberit mur porteur.
Vous voulez acheter un support pour votre wc suspendu mais vous ignorez la méthode pour choisir un produit d'une qualité irréprochable ?
Bati wc suspendu geberit 4 des plus grosses ventes de la semaine. Design et élégants, ils apporteront une note raffinée à votre intérieur tout en vous permettant de personnaliser votre installation avec une très large gamme de plaques de déclenchement disponible. Achat en ligne et livraison rapide en belgique, france et luxembourg. Pourquoi s'intéresser aux wc ? Voir plus d'idées sur le thème montage wc suspendu, wc suspendu, suspendu. Pour montage en gaine technique. Design et facilité d'entretien, le wc suspendu c'est la star du petit coin : Associées à avoir été nombreux détails ou nécessaire, soit équipée pour des éléments de choc ou de. Le wc suspendu se mariera parfaitement au. Blanc ral 9010 bm blanc 11 blanc classic fe vert. Avec habillage en verre de haute qualité et cadre en aluminium brossé. Un grand choix de produits aux meilleurs prix. Vous êtes perdus entre les différentes marques sur le marché ?
using an underground fence. Training with an invisible dog fence Without proper training, your dog may not understand the boundaries and could become confused or frightened by the correction.
Tottenham Vs Chelsea 2020 - Chelsea 0 0 Tottenham Hotspur Player Ratings As London Derby Ends Goalless Premier League 2020 21 - Here you will find mutiple links to access the tottenham hotspur match live at different qualities. . W d l w d. However, this was a day when confidence was restored throughout the chelsea ranks, a crucial win acting as the perfect preparation ahead of our champions league hosting of bayern munich on tuesday. But in the second half there was a spurs. Tottenham could have made a serious title statement by following up victory against manchester city with another success at stamford bridge. Tottenham hotspur stadium, london, england tv: What is more than obvious is that tottenham has enormous problems in defense. Preview and stats followed by live commentary, video highlights and match report. Here you will find mutiple links to access the tottenham hotspur match live at different qualities. Tottenham hotspur vs chelsea 1 / 1 all goals highlig...
Les Marques De Voitures : Reconnaissance Visuelle Les Sigles Des Marques Automobiles All Car Logos Car Logos With Names Car Logos / La marque fut pourtant rachetée quelques. . Les modèles de voitures et l'actualité par marque. Connaissez vous ces marques de voiture ? Comme chaque année, auto plus a établi son classement de fiabilité des 20 marques les plus présentes en france. Page d'aperçu marques du groupe de produits voitures. De plus, les grandes marques de voitures françaises font en sorte de différencier la france parmi d'autres pays. Chrysler fiat chrysler se choisit le patron de jeep. C'est également le cas des spyker la marque spyker était promise à un avenir funeste après sa faillite puis sa fermeture en 1926. Marque de voiture américaines liste constructeurs automobile. Learn vocabulary, terms and more with flashcards, games and other study tools. Les modèles de voitures et l'actualité par marque. ...
using an underground fence. Training with an invisible dog fence Without proper training, your dog may not understand the boundaries and could become confused or frightened by the correction.
BalasHapus